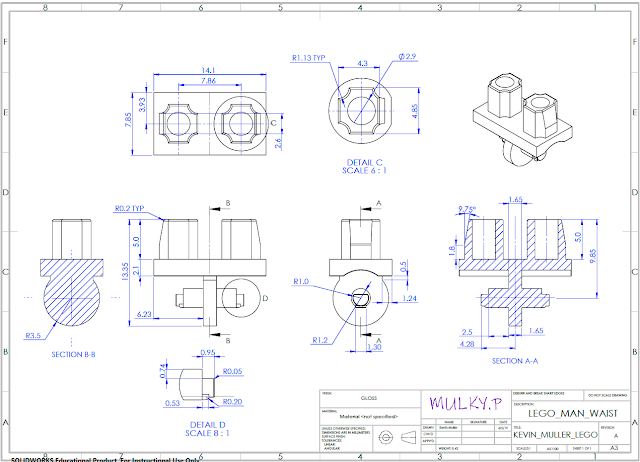
Now that we had all our parts and assemblies it is time to create some technical drawings so that they can be reproduced.
The drawings is something that I can definitely work on, making sure you include all the features and dimensions required to manufacture the part is important and it has to be set up neatly so that you can actually read and understand it. Later on when I discovered that by using the pack and go feature in Solidworks you can easily rename parts while keeping the links, this would have saved me loads of time earlier but now I know for next time.




Comments
Post a Comment